Dom na sprzedaż














Szczegóły ogłoszenia
- Symbol oferty PAC-DS-9082
- Typ oferty dom na sprzedaż
- Cena 1 299 000 zł
- Charakterystyka mieszkania 143.31 m2, 5 pokoi, do wykończenia
- Budynek rok budowy: 2025
- Media Ogrzewanie: C.O. GAZOWE; Woda: jest; Kanalizacja: tak; Prąd: jest; Gaz: jest
- Bezpieczeństwo ogrodzenie działki: ogrodzona
- Balkon jest
- Dojazd ASFALTOWA
- Działka częściowo zagospodarowana, płaska, prostokąt
- Garaż w bryle
- Ilość sypialni 4
- Instalacje ELEKTRYCZNA, WODNA, GAZOWA
- Material konstrukcyjny pustak ceramiczny
- Okna PCV 3 szyby, ciepły montaż
- Otoczenie zabudowa jednorodzinna
- Pokrycie dachu dachówka ceramiczna
- Pozwolenie na użytkowanie W trakcie uzyskiwania
- Rodzaj domu bliźniak
Lokalizacja
- Adres małopolskie, Zielonki, Garlica Murowana
Opis nieruchomości
!!! KUPUJĄCY NIE PŁACI PROWIZJI !!!
!!! ZOSTAŁ OSTATNI DOM NA SPRZEDAŻ !!!
Do sprzedania jednorodzinny dom nr 7 w zabudowie bliźniaczej o pow. użytkowej 143,31m2 zlokalizowany w miejscowości Garlica Murowana, gm. Zielonki. Budynek położony na nowo budowanym, kameralnym i ogrodzonym osiedlu składającym się z ośmiu domów jednorodzinnych w zabudowie bliźniaczej oraz jednego domu jednorodzinnego wolnostojącego. Osiedle zlokalizowane w I linii zabudowy, dojazd do domu drogą gminną asfaltową, następnie drogą prywatną (udział). Budynek oparty na nowoczesnej architekturze z przynależnym jednostanowiskowym garażem ulokowanym w bryle oraz dodatkowymi dwoma miejscami postojowymi. Pow. działki 3,77 ara.
Media: prąd, woda, gaz, kanalizacja.
Dom wybudowany w stanie deweloperskim obejmującym:
- ławy fundamentowe: żelbetowe,
- ściany fundamentowe: bloczki zalewowe zbrojone gr. 25cm,
- izolacje fundamentów,
- ściany zew.: pustak ceramiczny Porotherm 25,
- ściany działowe: pustak ceramiczny Porotherm 11,5,
- konstrukcja dachu: drewniana, impregnowana,
- pokrycie dachu: dachówka ceramiczna ROBEN BERGAMO antracyt,
- rynny: stalowe, system GALECO, rury spustowe: PCV,
- obróbki blacharskie: blacha stalowa,
- komin spalinowo- wentylacyjny - system Schiedel,
- elewacja- ocieplenie: styropian 20cm + tynk cienkowarstwowy - silikonowy w dwóch odcieniach,
- system okienno-grzwiowy firmy Drutex, okna 3-szybowe, kolor antracyt, ciepły montaż,
- okno połaciowe firmy FARKO, aluminiowo- tworzywowe w kolorze białym z nawiewnikiem, 3-szybowe,
- parapety zew.: aluminiowe, lakierowane; wew.: do indywidualinej aranżacji,
- automatyczna brama garażowa firmy Wiśniowski UniPro lub Greda; kolor antracyt lub grafitowy,
- drzwi wejściowe: firmy Wiśniowski lub Gerda; kolor antracyt lub grafitowy,
- tynki wew.: maszynowe, gipsowe, pom. mokre: tynk cementowo-wapienny,
- wylewki: cementowe,
- poddasze: ocieplone wełna mineralna,
- instalacje: elektryczna, odgromowa, C.O., wodno-kanalizacyjna,
- instalacje teletechniczne (zakończone puszką): IT, TV/SAT, alarmowa, , domofonowa i dzwonka,
- rozprowadzona instalacja wentylacji mechanicznej do każdego pomieszczenia mieszkalnego zakończona anemostatami (projektowana wydajność dla domu 300m3/h)
- kocioł gazowy dwufunkcyjny, IMMERGAS Victrix Tera V2 28kW lub równoważny wraz ze sterowaniem Menred + zasobnik,
- opcjonalnie przygotowane zasilanie elektryczne dla pompy ciepła,
- przygotowana trasa (peszel) pod montaż instalacji fotowoltaicznej.
- ogrodzenie: całość terenu ogrodzona z siatek panelowych,
- brama wjazdowa dwuskrzydłowa lub przesuwna z napędem, sterowana na pilota,
- droga wew. wybrukowana z kostki betonowej, 2 miejsca przed garażem,
- oświetlenie zew.: na ścianie frontowej domu oprawa oświetleniowa z czujką ruchu + oświetlenie strefy wjazdu na osiedle (lampa przy bramie),
- wykończenie ogródków: ogrodzone, wyrównane,
- tereny zielone wspólne: zagospodarowane.
- rozprowadzona inst. klimatyzacyjna (strefa salonu z jadalnią + korytarz na piętrze)
Rozkład pomieszczeń:
Parter: hol (7,19m2), garderoba (7,45m2), łazienka (3,2m2), kuchnia + salon (34,49m2), garaż (19,5m2)
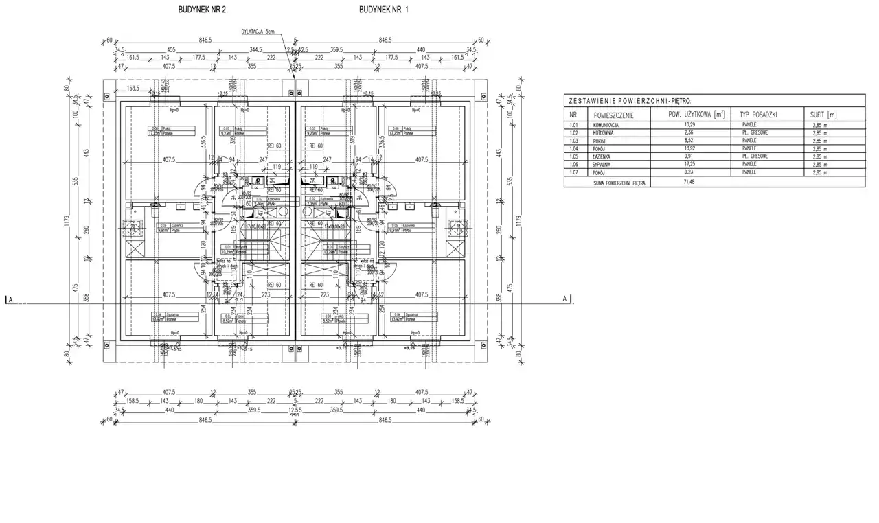
Piętro: (komunikacja (10,29m2), kotłownia (2,36m2), pokój (8,52m2), pokój (13,92m2), łazienka (9,91m2), sypialnia (17,25m2), pokój (9,23m2))
LOKALIZACJA
Nieruchomość położona w cichej i spokojnej okolicy wśród domów jednorodzinnych. W pobliżu: przystanek MPK (350m), plac zabaw, sklep spożywczy, paczkomat, cukiernia. Do najbliższego przedszkola, szkoły i kościoła ok. 2km. Ewidencyjna granica m. Krakowa ok. 2,5km.
Cena: 1.299.000 zł.
Serdecznie polecamy i zachęcamy do bezpłatnej prezentacji !!! Więcej podobnych ofert na naszej stronie www.pacanowscy.pl Kontakt do opiekuna oferty: 505-304-807 Łukasz Koczwara